Описание
Характеристики
Отзывы
Сопутствующие файлы
Вопрос-Ответ 0
Система защиты от протечки воды Neptun Bugatti Base Light с диаметром трубы подключения 1/2"
Предотвратит потоп и его неприятные последствия, благодаря надежной системе оповещения и локализации утечки воды.
Neptun Bugatti Base Light укомплектован одним шаровым краном NEPTUN BUGATTI PRO, и подходит для установки в помещениях, где подведено только холодное водоснабжение.

Принцип работы:
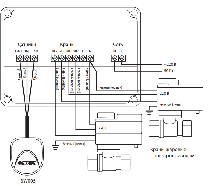
- Датчик, установленный в местах вероятного скопления воды, обнаружив протечку, подает сигнал на модуль управления системой;
- Модуль управления, получив сигнал от датчиков, выдает управляющий сигнал на шаровой кран с электроприводом, а так же обеспечивает световое и звуковое оповещения аварии;
- Шаровый кран, получив сигнал от модуля, перекрывает воду, тем самым предотвращая потоп.
Функции модуля управления Neptun Base:
- Автопроворот подключенного шарового крана 1 раз в месяц, для исключения его закисания;
- Автоматическое отключение питания шаровых кранов с электроприводом через 60 сек после срабатывания. Напряжение на краны подается только во время их перекрытия;
- Возможность подключения до 20 проводных датчиков серии SW;
- Возможность подключения до 6 шаровых кранов с электроприводом.
Схема размещения систем Neptun:

Комплектация:
- Модуль управления Neptun Base – 1 шт.
- Датчик контроля протечки воды SW005 – 2 шт.
- Кран шаровый с электроприводом серии NEPTUN BUGATTI PRO 220В – 1 шт.
Схема подключения:

NeptunВсе товары бренда

Характеристики
Основные
Технические характеристики
Напряжение электропитания
Управление модулем протечки
Ручное управление на корпусе
Автономная работа
Нет (резервное питание отсутствует)
Max время работы резервного питания
Нет резервного питания
Диаметр трубы подключения
Максимальное давление в системе, бар:
40
Время закрытия крана
21 сек
Передача и получение сигнала
Проводная - для кранов, Проводная - для датчиков
Потребляемая мощность модулем
max 1,5 Вт в режиме ожидания
Температура воздуха при эксплуатации крана
0°С..+ 60°С
Допустимая температура окружающей среды модуля
+5°С..+ 40°С
Max ток нагрузки (при питании от сети переменного тока)
5 А
Функции и возможности
Функция авто проворота кранов
1 раз в месяц
Управление по Wi-Fi:
Нет
Количество подключаемых кранов с электроприводом
До 6 шт - Стандартное подключение к модулю
Максимальное количество датчиков
до 20 проводных датчиков серии SW
Комплектация
В комплекте
Краны Neptun Bugatti Pro 1/2-220В. 1 шт; Датчики SW005 2шт; Модуль управления Base
Габариты
Размеры в упаковке (Ш×В×Г), мм:
220 × 200 × 160 мм
Вес в упаковке:
3 кг
Объем коробки, м³:
0.0035
Отзывов ещё нет — ваш может стать первым.
Все отзывы 0
Спасибо!Ваш отзыв появится на сайте после проверки.
Сопутствующие файлы
- Инструкция.pdf (539.73 KBytes) - Инструкция по эксплуатации Neptun Bugatti Base Light
- Паспорт.pdf (659.03 KBytes) - Паспорт Neptun Bugatti Base Light
- Каталог.pdf (27.74 MBytes) - Каталог систем от протечек
Подборки товаров в категории








































































